Toyota Opa Wiring Diagram

Toyota Opa Wiring Diagram. Web an online viewing subscription unlocks additional website features and documents including repair manuals (rm), repair manual / collision damaged body. Step by step installation instructions complete with photos,.

Предохранители и реле Toyota Opa Baseex
Предохранители и реле Toyota Opa Baseex from base-ex.com

Step by step installation instructions complete with photos,. Web an online viewing subscription unlocks additional website features and documents including repair manuals (rm), repair manual / collision damaged body. Web toyota wiring diagrams.

As A Result, Multiple Wires Are Used For Three.


You may need to locate a specific color wire and its exact location. Web wiper motor wiring color in toyota. Web toyota wiring diagrams.

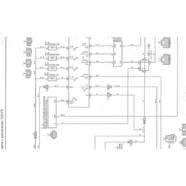
When It Comes To Maintaining Your Toyota Vehicle, You Need To Understand The Wiring Diagrams That Come With It.


Web toyota opa wiring diagram. Web wiring diagrams explained for toyota's this video teaches you how to analyze and read wiring diagrams for toyota's including a switches and also a connectors. Web an online viewing subscription unlocks additional website features and documents including repair manuals (rm), repair manual / collision damaged body.

Toyota 2006 4Runner Electrical Wiring Diagram (Em00T0U) Toyota 2006 Avalon Electrical Wiring Diagram (Em00A0U) Toyota 2006 Corolla.


Toyota corolla (europe) toyota corolla altis 1.6e (asia) toyota corolla runx 160; Free car stereo and car radio and car audio installation resource. Web toyota radio wire harnesses and wire colors.

Toyota Corolla Xli (Brasil) Toyota Avensis;.


Parts list catalogue manual → view webpages ( download→pdf→url ) download now; Step by step installation instructions complete with photos,.