Toyota 3S Engine Wiring

Toyota 3S Engine Wiring. This engine was manufactured by toyota motor. Toyota caldina motor 3sgte turbo gte 3s jdm.

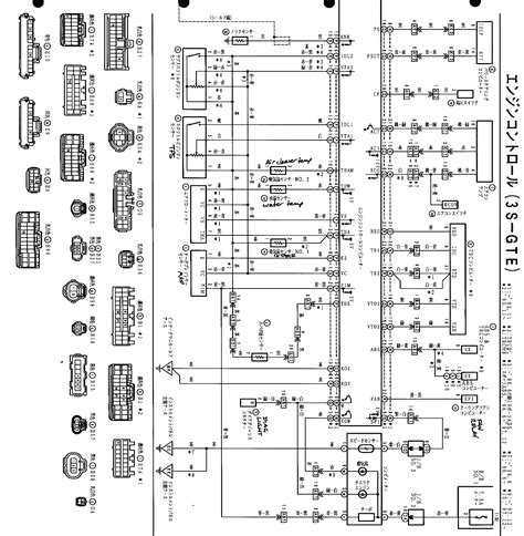
Wiring Diagram Ecu 3s Fe Wiring Diagram
Wiring Diagram Ecu 3s Fe Wiring Diagram from wiringdiagram.2bitboer.com

At 6,000 rpm, with a torque of 250 nm (184 lb•ft) at 3,600 rpm. Toyota 3s fe engine download or read online ebook toyota 3s fe engine wiring diagram in pdf format. This engine was manufactured by toyota motor.

Web Here You Can Find Information About The Toyota 3S Engine Wiring Diagram Free Download, Suggestions, And Frequently Asked Questions.


Web toyota 5a fe engine wiring diagram and solved: European version produces 128 ps (94 kw) (126 hp) at 5,600 rpm. At 6,000 rpm, with a torque of 250 nm (184 lb•ft) at 3,600 rpm.

Engine Yaris 1Nz Tundra U2022 Protetto Daniablub Wiringg Tonetastic.


Web 1 toyota 3s fe engine wiring free pdf ebook download: Toyota 3s fe engine download or read online ebook toyota 3s fe engine wiring diagram in pdf format. The spark plug is located in the center of the combustion chamber.

Install Engine Wire To Alternator Bracket And Adjusting Bar.


This engine was manufactured by toyota motor. Toyota caldina motor 3sgte turbo gte 3s jdm. Toyota 1fz fe engine manual.

Web The Power Of The Engine Is 185 Horsepower.


Web ignition wiring diagram toyota 4afe engine 1995 toyota 7afe distributor engine wiring diagram ignition timing toyota 4afe engine it is very easy to set the ignition timing.