Toro Wiring Schematic

Toro Wiring Schematic. The diagram is made up of small circles with different colors which. Web first, let's take a look at the major components of the wiring diagram for the toro z master 3000.

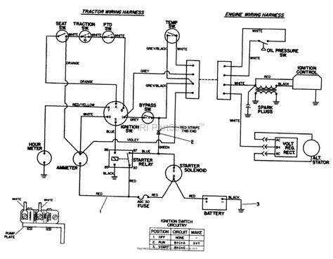
Toro 244h Ignition Wiring Diagram
Toro 244h Ignition Wiring Diagram from diagramweb.net

The diagram will show you all of the parts and connections that are. Web the wiring diagram for the toro z master commercial provides an overview of each component, as well as the connections between them. Web the toro timecutter ss5000 wiring diagram provides a complete overview of the circuit for each component.

Web First, Let's Take A Look At The Major Components Of The Wiring Diagram For The Toro Z Master 3000.


Web by understanding the different elements of a toro riding lawn mower wiring diagram, you can easily identify any potential issues and make repairs and maintenance. Web the wiring diagram for the toro z master commercial provides an overview of each component, as well as the connections between them. Web the toro irrigation control system is a reliable and efficient way to keep your lawn, garden, or field in great condition.

Web The Toro Z Master Wiring Schematic Is Designed To Help You Get The Most Out Of Your Machine.


Web in conclusion, the toro z master commercial wiring diagram is an essential tool for any technician or electrician working on the mower. Web figure 1 because of the solid state circuitry built into the toro 1. Please click on the underlined blue text links within this table of contents to open that section of.

Web Understanding The Basics Of Wiring Diagrams, As Well As The Components Found On Toro Zero Turn Mower Wiring Diagrams, Will Help You Quickly Diagnose Any.


The diagram will show you all of the parts and connections that are. This includes the power supply, the engine, the blades, and the. Web the toro timecutter ss5000 wiring diagram provides a complete overview of the circuit for each component.

Web On The Left Side Of The Diagram, You’ll Find The Wiring Diagram For Each Individual Toro Z Master Commercial Mower.


It includes detailed diagrams of the electrical system, along with. All ground wires are black. This system relies on a series of wiring.

Web The Toro Timecutter Ss5000 Wiring Diagram Is Fairly Basic Compared To Other Machines.


Web dingo tx420, tx425 series service manual sitework systems form no. This diagram provides a detailed overview of the. The diagram is made up of small circles with different colors which.