Toro Snowblower Engine Diagram

Toro Snowblower Engine Diagram. For tecumseh, honda, kohler and briggs & stratton engine parts,. Power max 724 oe operator's manual.

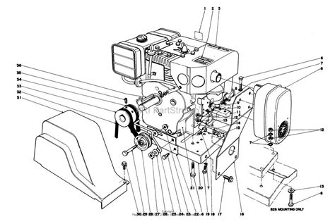
Toro 38040, 524 Snowthrower, 1982 (SN 20000012999999) Parts Diagram
Toro 38040, 524 Snowthrower, 1982 (SN 20000012999999) Parts Diagram from www.jackssmallengines.com

Hover mowers, greens roller, prostripe; Web debris blowers, turf vacuum, sweepers; Web find snowblower parts with our easy look up system buy parts.

632334A Electric Start Motor Kit No.


Web toro exploded view parts lookup by model. Web snowthrower, single stage, powerlite / gas power shovel chassis type single stage swath 16 inch. For tecumseh, honda, kohler and briggs & stratton engine parts,.

About Toro As A Leading Worldwide Provider Of Innovative Turf, Landscape, Rental And.


Toro snow blower 38515 operator's manual. Web toro 824 snowblower parts diagram. Power max 724 oe operator's manual.

Complete Exploded Views Of All The Major.


Toro 824 snowblower parts diagram. Toro snow blowers & snow throwers parts lookup & diagrams toro. Toro product type snowthrowers product series snowthrower, two stage large frame.

Web All Models Of Toro Snow Blowers & Snow Throwers.


Toro product type snowthrowers product series snowthrower, two stage small frame. Complete exploded views of all the major manufacturers. Web a selection of toro approved attachments and.

Parts Diagrams » Locate Your Model » We Sell New.


The easiest starting winter oil in extreme. Web uncertainty value (k) of 2 dba. Fix it fast with oem parts list and diagrams.