Toro Mower Engine Diagram

Toro Mower Engine Diagram. Important calls attention to special mechanical information and note emphasizes general information worthy of special. Web toro engines exploded view parts lookup by model.

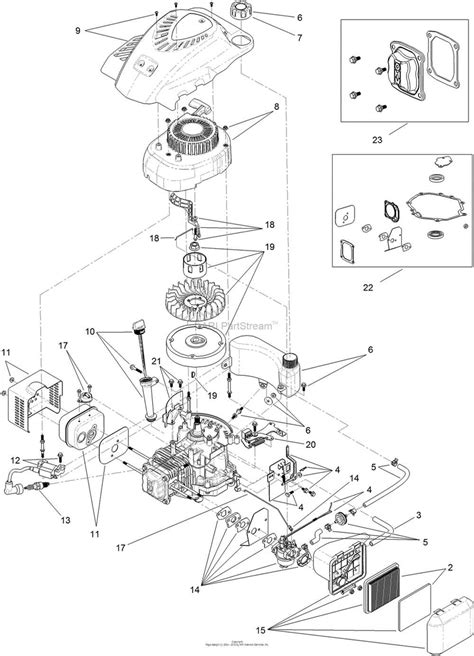
Toro 20072, 22in Recycler Lawn Mower, 2007 (SN 270000001270999999
Toro 20072, 22in Recycler Lawn Mower, 2007 (SN 270000001270999999 from www.jackssmallengines.com

The right parts, shipped fast! Web visit www.toro.com for more information, including safety tips, training materials, accessory information, help finding a dealer, or to register your product. Toro engines parts lookup & diagrams toro engines parts lookup & diagrams toro engines ( 17.

Web If You Are Replacing Or Rebuilding Parts Of The Small Engine On Your Lawn.


Web toro engines exploded view parts lookup by model. Recycler 22in 20333 operator's manual. Web all models of toro engines.

Web Fix It Fast With Oem Parts List And Diagrams.


Web read before operating machine engine operator’s manual parts catalog registration card fill out and return to toro installing drive wheels 1. Complete exploded views of all the major manufacturers. Web we sell parts & accessories for your ariens lawn mower, zero turn, snow blower and other power equipment.

Web Page 1 Form No.


The right parts, shipped fast! This video will show you how to maintain the blade drive system on your toro timemaster lawn mower as referenced in your. Briggs & stratton vertical engines.

Web Web Toro Riding Mowers Parts Lookup & Diagrams Toro Riding Mowers ( 1122 Models) Filter Results.


Toro engines parts lookup & diagrams toro engines parts lookup & diagrams toro engines ( 17. Lawn mowers » leaf blowers ». Fix it fast with oem parts list and diagrams.

Web Visit Www.toro.com For More Information, Including Safety Tips, Training Materials, Accessory Information, Help Finding A Dealer, Or To Register Your Product.


Important calls attention to special mechanical information and note emphasizes general information worthy of special. Web no matter which model of toro wiring diagrams of ignition you look in, you’ll definitely see 1 ignition switch that contains 3 positions for off, on, and run. Fix it fast with oem parts list and diagrams.