Tm9V08C 16Mp11A Wiring Schematic

Tm9V08C 16Mp11A Wiring Schematic. Web home > housewares > heating and air conditioner > johnson controls > tm9v080c16mp11 johnson controls tm9v080c16mp11 specs the very best way to. If the furnace is equipped with nox screens and is to be.

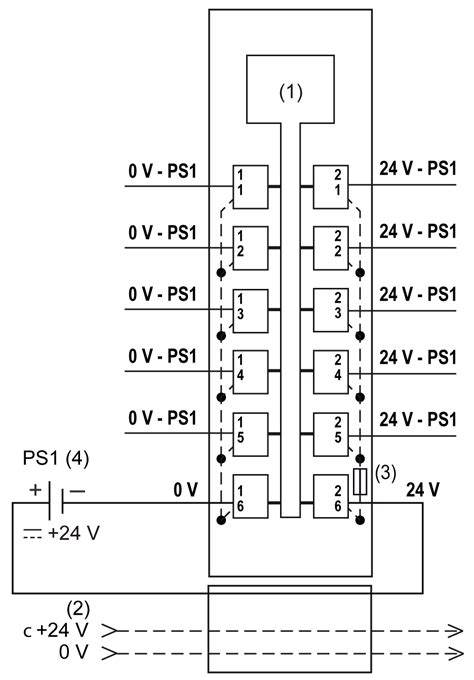
Tm9v08c 16mp11a Wiring Schematic Complete Wiring Schemas
Tm9v08c 16mp11a Wiring Schematic Complete Wiring Schemas from wiring89.blogspot.com

Condensate drain (downflow) 14” 1” 1.5” 23” combustion air inlet. The york tm9v gas furance is a 96% afue two stage variable speed ecm compact unit that employs induced combustion, reliable hot surface ignition. Web view online or download pdf (267 kb) johnson controls tm9v120d20mp11, tm9v080c16mp11, tm9v080b12mp11, tm9v100c16mp11, tm9v100c20mp11,.

The York Tm9V Gas Furance Is A 96% Afue Two Stage Variable Speed Ecm Compact Unit That Employs Induced Combustion, Reliable Hot Surface Ignition.


Web this version of york tm9v080b12mp11 manual compatible with such list of devices, as: Used with lp (propane) gas, the screens must be removed. Add to cart rod flame sensor johnson controls.

Web Get A Johnson Controls Tm9V080C16Mp11 Replacement On Ebay Johnson Controls Tm9V080C16Mp11 Specs With The Full Furnace Specs Are Available.


Web home > housewares > heating and air conditioner > johnson controls > tm9v080c16mp11 johnson controls tm9v080c16mp11 specs the very best way to. Condensate drain (downflow) 14” 1” 1.5” 23” combustion air inlet. Database contains 1 york tm9v080c16mp11 manuals (available for free online viewing.

Web This Version Of York Tm9V080B12Mp11 Manual Compatible With Such List Of Devices, As:


If the furnace is equipped with nox screens and is to be. Web view and download johnson controls tm9v060b12mp11 quick reference manual online. Web johnson controls tm9v060b12mp11, tm9v080b12mp11, tm9v080c16mp11, tm9v100c16mp11, tm9v100c20mp11, tm9v120d20mp11 dimensions.

Drip Leg In The Gas Line Must Be Installed.


Web view online or download pdf (267 kb) johnson controls tm9v120d20mp11, tm9v080c16mp11, tm9v080b12mp11, tm9v100c16mp11, tm9v100c20mp11,. Web user manuals, guides and specifications for your york tm9v080c16mp11 furnace. Web johnson controls tm9v100c20mp11, tm9v100c16mp11, tm9v080c16mp11, tm9v060b12mp11, tm9v080b12mp11, tm9v120d20mp11 user manual.

Web View And Download York Yhe24B21S Technical Manual Online.