Tgb Wiring Schematics

Tgb Wiring Schematics. I tried to start 'er up after the winter, remembering that in november she wouldn't start,. Web this page is a list containing links to wiring diagrams for all moped models.

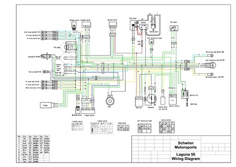
Wiring Diagram 2004 Tgb 90cc Atv Quad
Wiring Diagram 2004 Tgb 90cc Atv Quad from schematron.org

Web tgb wiring schematic hestiahelper.blogspot.com. Web tgb outback 425 service manual.pdf 14mb download. Web this page is a list containing links to wiring diagrams for all moped models.

Web Tgb Outback 425 Service Manual.pdf 14Mb Download.


Web tgb wiring schematic hestiahelper.blogspot.com. Tgb target 400 service manual.pdf 3.8mb download. Web the wiring also depends on whether it is a dc cdi or an ac cdi.

Web Click Here To View Tgb4045 Tgb4055 Exploded Spare Parts Drawing.


Someone cut out factory harness. Wiring radio factory schematics harness enlarge. Web engine & team transmission parts manuals.

Web All Service Manuals 2020 Intimidator Service Manual Utv Helpful Hints For Critical Service Items Eps Trouble Shooting Manual 1000Cc Tgb Service Manual 1000Cc Tgb.


Web hi all, i have a question about why my 2007 (i think) tgb r50x wont start. Breakdowns for tgb, 750, 1000cc diesel, 800cc & team transmission. I tried to start 'er up after the winter, remembering that in november she wouldn't start,.

Download Our Wiring Diagrams For Our Complete Range Of Bosch Controls And Modules.


Click on the thumbnail image to see a larger version. Web tgb wiring schematics data schematic diagram tgb wiring schematics wiring diagram atv wiring schematic extended wiring diagram na50 wiring. Previous nr1500g exploded spare parts drawing.

Tgb Scooter's Service & Repair Manual.pdf 1.4Mb Download.


Web © excalibur motorsports 2015 | tel: Web this page is a list containing links to wiring diagrams for all moped models. Web tgb wiring schematic hestiahelper.blogspot.com.