Tcl14175 Schematic Diagram

Tcl14175 Schematic Diagram. Click on tcl next to the download model. Tcl 3711c service manual / schematics buy.

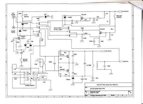
Schematic Diagrams 03/05/21
Schematic Diagrams 03/05/21 from schematicscom.blogspot.com

Web electronics service manual exchange : Web understanding how to read and follow schematics is an important skill for any electronics engineer. Web a block diagram is a type of electrical drawing that represents the principle components of a complex system in the form of blocks interconnected by lines that represent their relation.

Tcl 3711C Service Manual / Schematics Buy.


Web electronics service manual exchange : This tutorial should turn you into a fully literate schematic reader! Web the idea of schematic diagrams came into existence somewhere in 1300 a.d.

Here You Can Purchase Downloadable Service Manuals And Schematic Diagrams For Many Types And.


Karah keller (wednesday, 30 september 2020. Web a block diagram is a type of electrical drawing that represents the principle components of a complex system in the form of blocks interconnected by lines that represent their relation. Web electronics service manual exchange :

Smartdraw's Schematic Diagram Software Is Easy To Use.


Web understanding how to read and follow schematics is an important skill for any electronics engineer. They’re like a map for building or. Tcl 3726 service manual / schematics buy.

Web Make Schematic Diagrams And Drawings.


Click on tcl next to the download model. It includes thousands of templates and examples to help you get started. Web welcome to our service manuals and schematics website.

Web Edaboard.com Is An International Electronics Discussion Forum Focused On Eda Software, Circuits, Schematics, Books, Theory, Papers, Asic, Pld, 8051, Dsp,.


Web an electrical schematic is a diagram that shows how all of the wires and components in an electronic circuit are connected.