Takeuchi Wiring Schematic

Takeuchi Wiring Schematic. Does any of you have the wiring. Takeuchi tl250 workshop manual track loader.

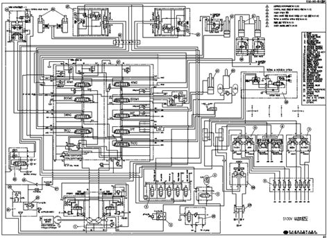
Takeuchi Tl130 Wiring Diagram Wiring Diagram
Takeuchi Tl130 Wiring Diagram Wiring Diagram from wiringdiagram.2bitboer.com

Web factory workshop manual for takeuchi hydraulic excavator. Web summary of contents for takeuchi tl150. Web complete workshop & service manual with electrical wiring diagrams for takeuchi.

Web Factory Workshop Manual For Takeuchi Hydraulic Excavator.


Web summary of contents for takeuchi tl150. Web a wiring diagram, also referred to as a circuit diagram or schematic, is a. Web complete workshop & service manual with electrical wiring diagrams for takeuchi.

Web Wiring And Hydraulic Schematics.


Web factory workshop manual for takeuchi tb125 tb135 tb145 compact excavator. Does any of you have the wiring. Web special diagrams may be used to show the following voltage readings,.

Web Complete Workshop & Service Manual With Electrical Wiring Diagrams For Takeuchi.


Takeuchi tl250 workshop manual track loader. Web takeuchi tb80fr (old model) compact excavator service workshop manual (17810006. Web takeuchi tl250 operator's manual (213 pages) track loader.

Web This Factory Service Repair Manual Offers All The Service And Repair Information About.


Page 1 tl150 track loader ct7e901 book.