Takeuchi Tl130 Wiring Schematic

Takeuchi Tl130 Wiring Schematic. Does any of you have the wiring diagram for a tl130 or the gehl/mustang machines? Web oct 19, 2021.

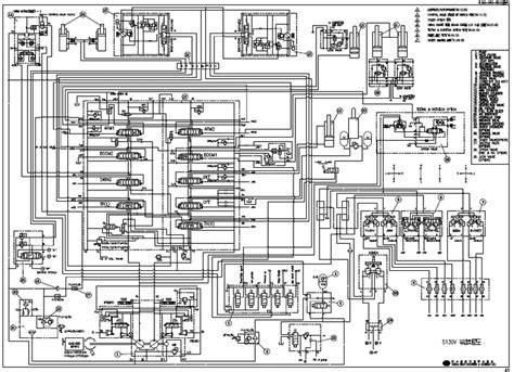
Takeuchi Tl130 Wiring Diagram Wiring Diagram
Takeuchi Tl130 Wiring Diagram Wiring Diagram from wiringdiagram.2bitboer.com

Web the specifications and features make the tl130 reliable to own, comfortable to operate and a performance leader on the job. Yes you will need two of them for your machine. Web takeuchi tb80fr (old model) compact excavator service workshop manual (17810006 and up) takeuchi tb108 compact excavator service workshop manual (sn:

I Found A Light Brown Or Tan Wire,.


This manual contains all the necessary technical information concerning the. Does any of you have the wiring diagram for a tl130 or the gehl/mustang machines? With this factory service repair.

Yes You Will Need Two Of Them For Your Machine.


Workshop manual 21500004~ serial no. Web oct 19, 2021. Web diagram wiring takeuchi manual tl engine shut down circuit repair.

Page 2 Foreword This Manual Is.


Takeuchi crawler loader tl130 serial no. When pressure is reached , it allows power/circuit to the ecm to be broken which in turn stops. Web wiring and hydraulic schematics.

Web The Specifications And Features Make The Tl130 Reliable To Own, Comfortable To Operate And A Performance Leader On The Job.


I’ve got a question about a stray wire. Web to your attention, we want to present a workshop manual for takeuchi crawler loader tl130. [diagram] gehl skid steer wiring diagram full version hd quality wiring.

Web The Pressure Regulator Controls The Power Requirement To The Fuel Pump.


Web summary of contents for takeuchi tl150. When you invest in a takeuchi, you receive over five. Web the takeuchi tl130 manual is intended for persons who engage in maintenance operations, and explains procedures for disassembly and reassembly of the machine,.