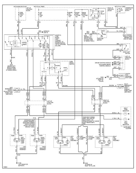
Tail Light Schematic Diagram

Tail Light Schematic Diagram. Web tail light wiring diagram Web a gmc tail light wiring diagram is an essential tool when it comes to ensuring that your vehicle is up to par with the latest safety standards.

3 Wire Tail Light Wiring Diagram tail light wiring diagram The
3 Wire Tail Light Wiring Diagram tail light wiring diagram The from wiring07.blogspot.com

It will show you the connections. Red is typically used for the reverse lights. Web once you’ve found the perfect tail light wiring diagram for your ford f350, it’s time to get it installed.

It’s Important To Note That.


Red is typically used for the reverse lights. Web the tail light wiring diagram for the 2005 dodge ram is essential for ensuring that the tail lights on your truck remain in proper working order. Web chevrolet car pdf manual wiring diagram fault codes dtc.

Web A Gmc Tail Light Wiring Diagram Is An Essential Tool When It Comes To Ensuring That Your Vehicle Is Up To Par With The Latest Safety Standards.


Web the toyota hilux tail light wiring colour code is as follows: Web a wiring diagram will certainly reveal you where the wires ought to be connected, so you do not have to think. Web as promised, a short video and wiring schematic to wire stop turn and tail lights to dual filament bulbs (1157) using relays.

Web A Ford F150 Tail Light Wiring Diagram Is A Diagram That Shows The Wiring For The Tail Lights On A Ford F150 Truck.


Web so, if you’re in need of a 4 wire led tail light wiring diagram, refer to it for a successful wiring experience. Web a bmw e46 tail light wiring diagram is an invaluable tool when it comes to repairing or replacing the electrical components of your bmw. I have included the schematic f.

Web A Gmc Wiring Diagram Tail Lights Is Usually Found In Your Owner’s Manual Or Can Be Purchased Separately From Auto Parts Stores.


It includes the main power wire, the ground wire, the turn signal. Web for example, blue is often used for the tail lights, and yellow is often used for the brake lights. You do not have to presume, a wiring diagram.

Web Tail Light Wiring Diagram


Web the wiring diagram tail lights hilux provides a comprehensive view of the wiring for the tail lights. Headlight and tail light wiring schematic diagram typical 1973 1987 chevrolet truck chevy chuck. This process can vary depending on the type of diagram you.