T800 Wiring Schematic

T800 Wiring Schematic. Web kenworth suspension schematics stengel bros inc. December 3, 2022 by jenny fresh.

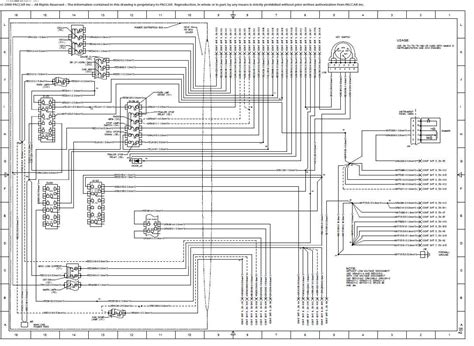
2006 Kenworth T800 Wiring Diagram endinspire
2006 Kenworth T800 Wiring Diagram endinspire from endinspire.blogspot.com

It is known for its. It is a favorite of many businesses and individuals due to its ability to. Web the kenworth t800 wiring schematic is essential for anyone looking to repair electrical issues on their vehicle.

Web The 2013 Kenworth T800 Wiring Schematic Is An Invaluable Resource For Anyone Who Owns Or Operates This Powerful Hauler.


The engine control system sends. Web 2006 kenworth t800 wiring schematic. Web the 2012 kenworth t800 wiring schematic has been designed to make your job easier, so grab a copy today and start getting your truck back on the road!

Have A 2000 K W T800 Having Problems.


Web the kenworth t800 wiring schematic is comprehensive and includes diagrams, images, and annotations that make it easy to identify circuits and connections. Web kenworth t800 wiring schematic. It documents the wiring pathways.

2002 T800 Kenworth I Need The Starter Circuit Wiring Diagram.


It's a detailed diagram of all of the truck's. It helps ensure that the truck runs smoothly and safely. Web the wiring schematic for the 2008 kenworth t800 is an invaluable tool for truck drivers and owners.

December 3, 2022 By Jenny Fresh.


Simulation model of gis 400kv substation scientific diagram kenworth t800 engine wiring. It is a favorite of many businesses and individuals due to its ability to. Web kenworth t800 wiring schematic.

The Engine Control System And The Electrical System.


The kenworth t800 wiring schematic is one of the most important. Web kenworth suspension schematics stengel bros inc. Web thankfully, with the 2013 kenworth t800 wiring diagram, you can quickly and easily diagnose and fix any electrical issues your truck might have.